Projektleitung

Unterstützung bei der Umsetzung von technischen Lösungen.


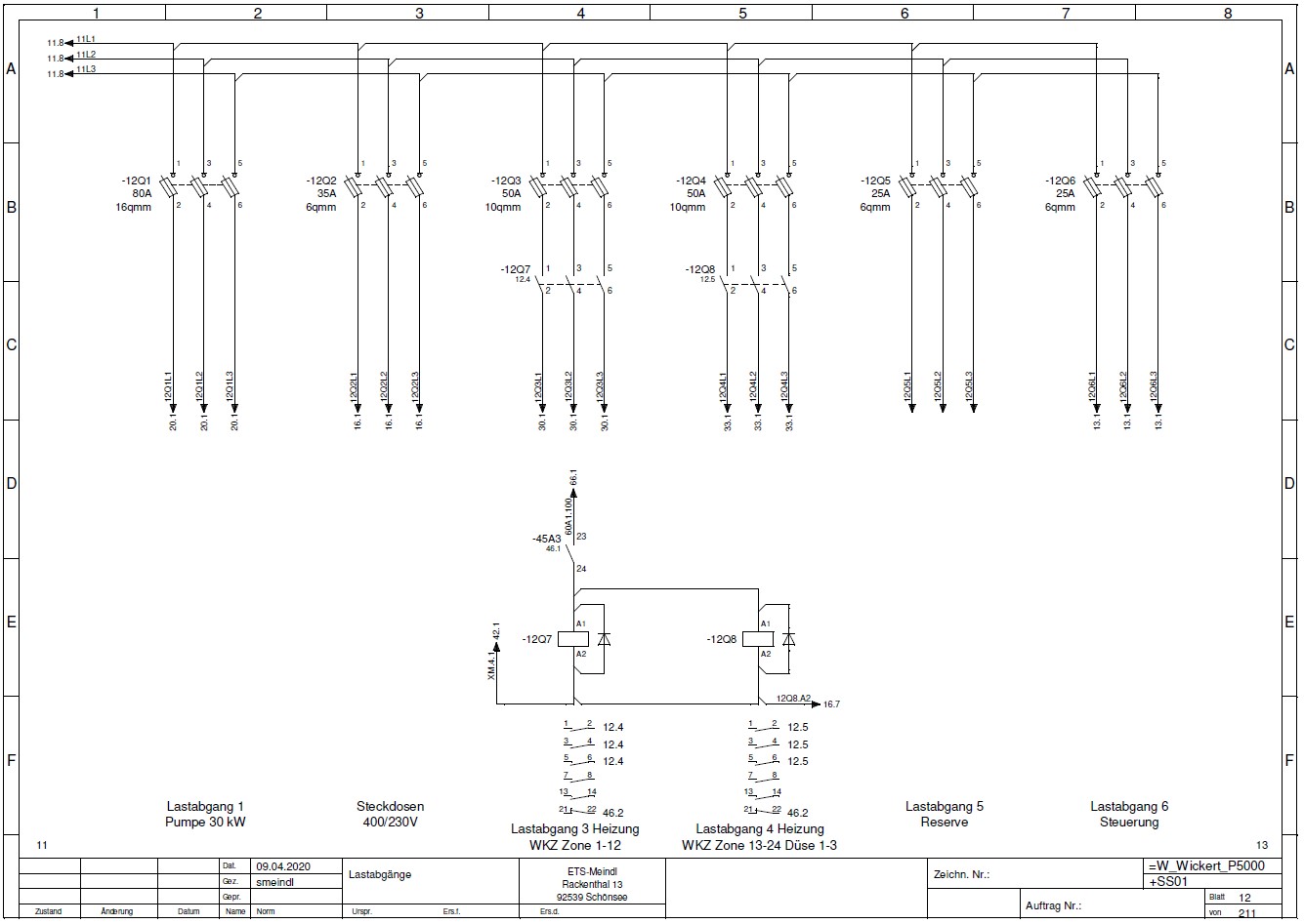
Elektroplanung

Erstellung von Stromlaufplänen mittels CAD.
Standardformate sind ELTIME, pdf, dxf sowie EPlan konform.


Schaltschrankplanung

Planung von Schaltschränken und Gehäusen, Erstellung von Aufbauzeichnungen sowie Schaltschrankbau und Montage.


WLAN Planung

Angepasste Planungen auf Grundlage einer sorgfältig, praxisorientierten Ausleuchtung der baulichen Gegebenheiten.



Realisierte Projekte


• Redundante 30kVA USV Anlage im Klinikumsumfeld mit automatischer Netzumschaltung
(Planung, Bau und Inbetriebnahme)


• Verteilung Lagerhalle
(Planung, Montage und Inbetriebnahme)


• Aufbau Energiemessung EDV im Klinikumsumfeld
(Planung und Inbetriebnahme)


• Medientechnik für Besprechungsräume, Schulen, öffentliche Einrichtungen
(Planung und Montage)